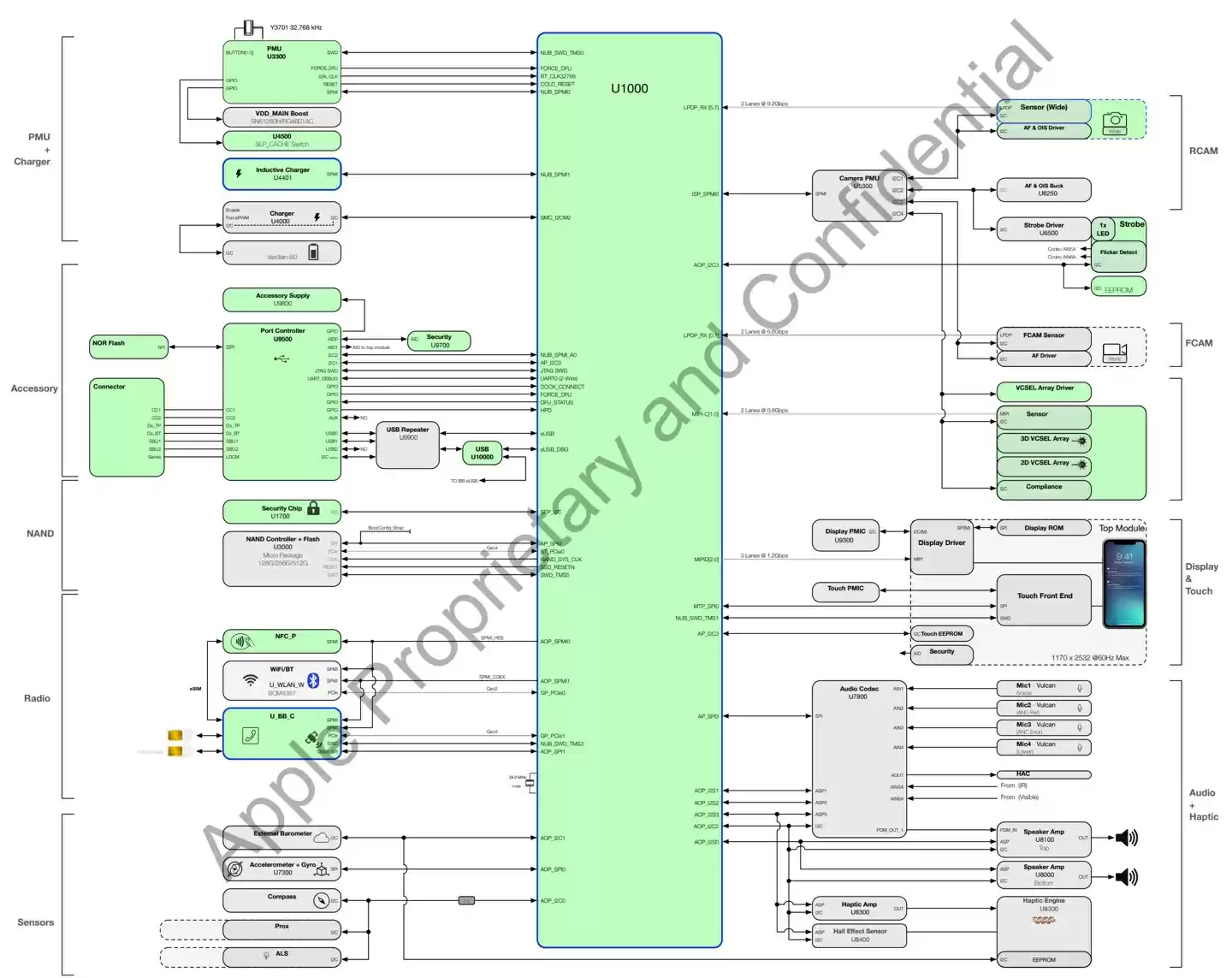
iPhone 16e设计原理图泄露:163页详析CPU与GPU架构
9 月 30 日消息,科技媒体 PCMag 昨日(9 月 29 日)发布博文,报道称美国联邦通信委员会(FCC)疑似意外泄露了苹果公司一款名为“iPhone 16e”的机密设计原理图,这份长达 163 页的文件详细描述了该设备的芯片信息,包括 CPU 和 GPU 配置。
免费影视、动漫、音乐、游戏、小说资源长期稳定更新! 👉 点此立即查看 👈
该文件由网友 UpsetKoalaBear 率先发现,在美国监管机构的备案信息中出现了一份本应保密的文件。该文件通过追踪 FCC 设备授权备案的第三方 FCC.io 被索引,从而进入了公众视野。
此次泄露的文件长达 163 页,几乎每一页都明确标注有“苹果专有与机密”字样。文件内容极为技术化,涵盖了 iPhone 16e 内部芯片的设计细节,包括中央处理器(CPU)和图形处理器(GPU)的具体配置,以及其他多种组件的布局。附上相关截图如下:




通常情况下,FCC 会对这类包含商业秘密的专有信息进行编辑处理或不予公布,但这次似乎是个例外,导致了敏感信息的直接曝光。
根据同期披露的苹果致函 FCC 的附函内容,苹果曾明确请求 FCC 将“电气原理图设计”等文件设置为永久不公开。苹果在信中强调:“这些文件揭示了受苹果公司保护的详细技术与设计信息,属于机密和专有商业秘密。”
公司进一步指出,一旦委员会披露这些信息,会让竞争对手获得不公平的优势,即便在该设备正式发布后,这种损害依然存在。
截至目前,苹果公司和 FCC 最新均未就此事发表任何评论。不过,种种迹象表明监管机构可能已经采取了补救措施。当前在 FCC 的最新设备授权 上,已无法检索到这份 163 页的原理图文件,这暗示 FCC 可能在发现问题后紧急将其下线。

游乐网为非赢利性网站,所展示的游戏/软件/文章内容均来自于互联网或第三方用户上传分享,版权归原作者所有,本站不承担相应法律责任。如您发现有涉嫌抄袭侵权的内容,请联系youleyoucom@outlook.com。
同类文章
工程师为苹果 Vision Pro 推出交友 App,利用 Persona 自影像功能进行 2 分钟快速互动
苹果Vision Pro专属社交新玩法:Persona虚拟形象助力限时高效交友 近日,一则关于苹果Vision Pro的创新应用引发科技圈的关注。据外媒Road to VR报道,工程师Artur Sychov为这款头显设备开发了一款名为AuraTap的交友应用程序。该应用的核心创新在于深度整合了Vi
消息称苹果首款折叠屏手机 iPhone Fold 已在试产
苹果折叠屏iPhone启动试产:揭秘这款定义未来的形态变革 4月6日,中证金牛座援引一则来自核心产业链的独家消息,在科技圈引发广泛关注:富士康方面已正式启动苹果折叠屏iPhone的试产工作。 这一关键进展,与供应链早前透露的产品路线图高度吻合。据可靠信息显示,苹果给予供应商的生产指引,是将旗下首款折
苹果马年首款iPhone!iPhone 17e内存彻底实锤了
iPhone 17e确认配备8GB内存:AI体验的入场券与硬件全面升级 最新消息来了。根据开发者从苹果官方工具Xcode中获取的数据,即将登场的iPhone 17e已经确认会搭载8GB内存。这个配置,可以说完全在行业的预料之中。 放眼整个iPhone 17系列,目前只有标准版iPhone 17和这款
马年首更!苹果iOS 26全新正式版发布 国行用户要失望了
iOS 26 3 1正式版发布:常规修复为主,国行AI功能仍无时间表 3月5日,苹果向用户推送了iOS 26 3 1正式版更新,版本号定格在23D8133。这也意味着,这是农历马年开年以来,苹果交付的第一个正式版系统更新。 如果去看官方更新日志,你会发现,这依然是一次以“修修补补”为主的小规模升级,
苹果本周停产七款产品:含iPhone 16e、M3 iPad Air等
苹果本周停产七款产品:含iPhone 16e、M3 iPad Air等 每当苹果发布新品,总伴随着一次产品线的例行梳理与更新。本周也不例外,随着多款新产品的亮相,苹果官方也正式宣告了七款现有产品的停产,覆盖了iPhone、iPad、Mac乃至显示器等多个核心品类。 具体来看,这份停产的名单及其对应的
- 日榜
- 周榜
- 月榜
1
2
3
4
5
6
7
8
9
10
相关攻略
2015-03-10 11:25
2015-03-10 11:05
2021-08-04 13:30
2015-03-10 11:22
2015-03-10 12:39
2022-05-16 18:57
2025-05-23 13:43
2025-05-23 14:01
热门教程
- 游戏攻略
- 安卓教程
- 苹果教程
- 电脑教程

