2025年诺贝尔物理学奖评选标准解析
这些创新成果正推动超导电路量子器件在量子计算和高精度测量领域实现革命性突破。然而学界存在不同观点:有人认为今年诺贝尔奖颁发时机尚早,毕竟实用化超导量子计算机仍未面世;也有人对获奖人选提出质疑。接下来我们将从宏观量子效应的探索历程入手,深入解读这项诺奖成果的核心价值,并对相关争议作出回应。
免费影视、动漫、音乐、游戏、小说资源长期稳定更新! 👉 点此立即查看 👈

2025年诺贝尔物理学奖核心成就解读
自量子力学创立伊始,关于量子与经典世界的分界线始终是学界争论的焦点。著名思想实验"薛定谔的猫"正是这一问题的生动诠释——将量子叠加态概念拓展至宏观尺度时,会得出活猫与死猫并存的悖论。这揭示出一个关键问题:量子效应究竟在何种尺度上失效?其间是否存在明确界限?
量子理论中存在几个让人费解的基本假设,特别是量子态的幺正演化与测量的非幺正特性之间的矛盾。这促使学者们思考:客观世界是否需要观测者的意识参与?爱因斯坦等物理学家对此难以认同,坚信物理定律应具有普遍适用性。
早在上世纪20年代,爱因斯坦就预言了玻色-爱因斯坦凝聚态的存在。随着激光冷却技术的突破,科学家在1995年首次实现铷原子气体的玻色-爱因斯坦凝聚,将量子现象拓展到数千原子的规模。但这距离真正宏观尺度仍然遥远。
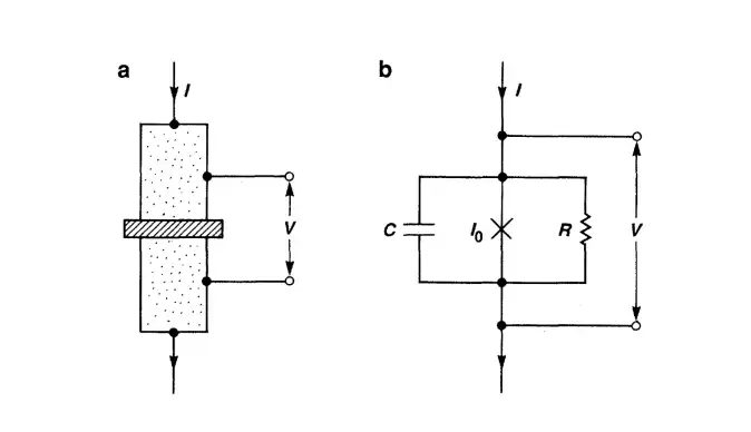
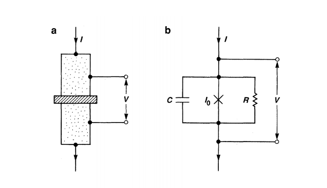
超导现象的发现为研究宏观量子态提供了新思路。BCS理论揭示:超导态本质上是电子形成库珀对后发生的玻色凝聚现象。莱格特教授敏锐指出,这尚未证明宏观量子叠加态的可行性。约瑟夫森效应的发现则为观测宏观量子干涉提供了可能——库珀对能够隧穿绝缘层,实现超导波函数的相干叠加。

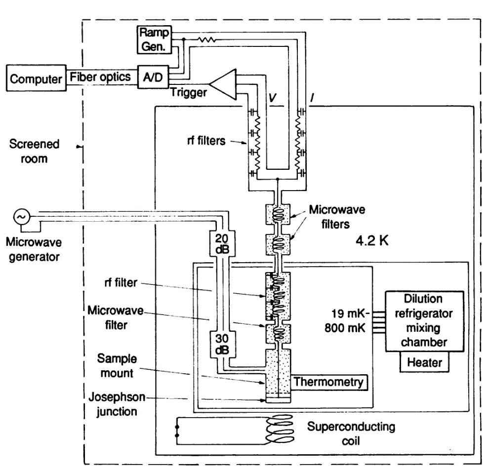
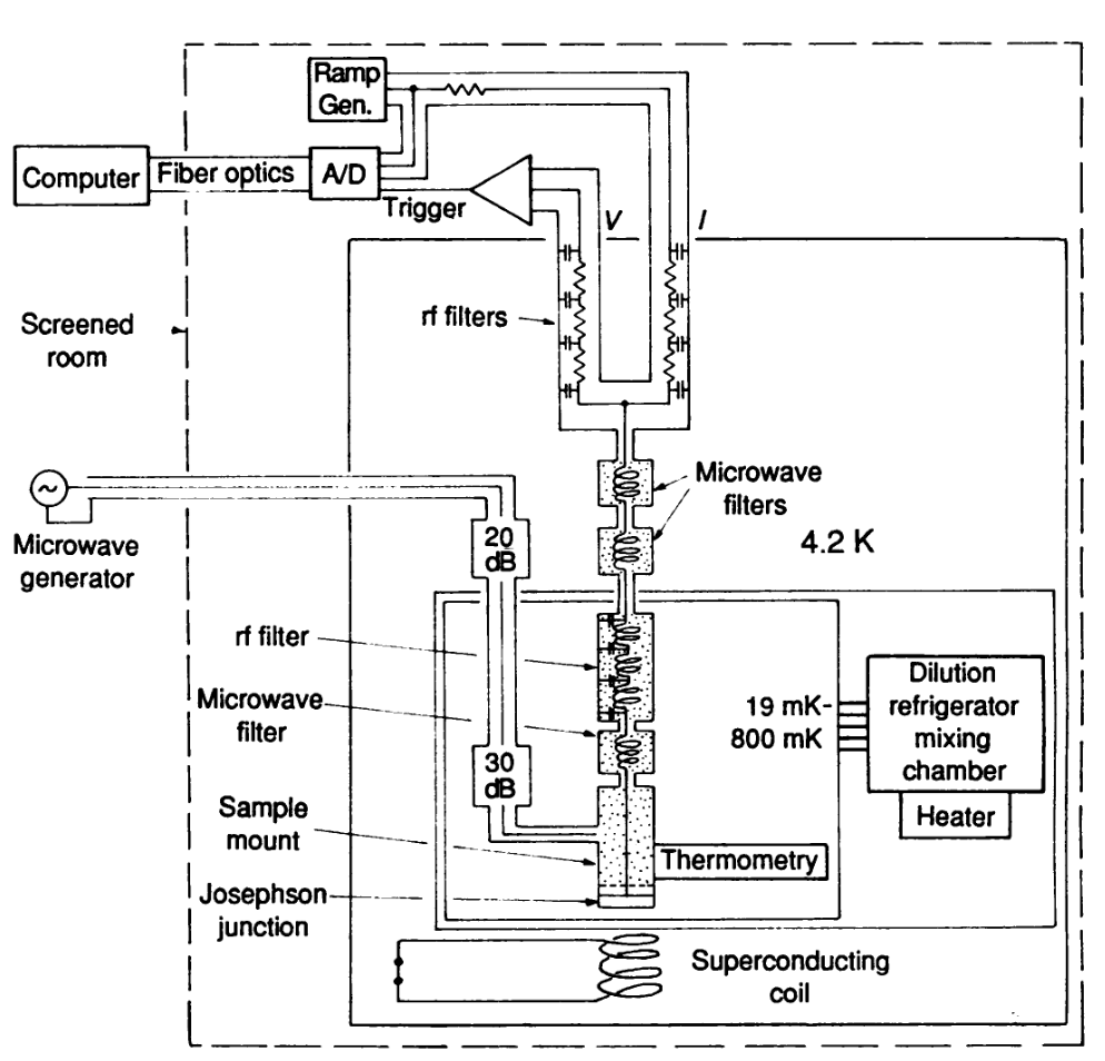
1985年,克拉克团队通过精密设计的实验装置,首次观测到电流偏置约瑟夫森结中的宏观量子隧穿现象。他们创新的铜粉滤波技术和对照实验设计,为这一突破性发现提供了确凿证据。相关成果发表在《物理评论快报》上,首次证实了宏观量子变量的存在。

1988年,团队在《科学》杂志进一步证实:约瑟夫森结相位差确实是宏观量子变量。这项基础性突破为超导量子计算奠定了基础——约瑟夫森结本质上就是早期的相位量子比特原型。它创造了可设计的人造量子系统,为量子信息处理开辟了新途径。

争议回应与研究展望
针对"诺奖颁发过早"的质疑,我们需要明确:本次奖项的核心价值在于验证量子力学在宏观尺度的适用性,而非直接表彰量子计算应用。获奖成果从根本上解答了量子-经典界限这一基础物理问题,其科学意义远超特定技术应用。
关于获奖人选,必须认识到:1999年中村泰信团队实现的超导量子比特虽然重要,但属于这些基础研究的自然延伸。本届诺奖更注重表彰开创性、奠基性的理论突破。
克拉克团队的发现不仅推动了量子计算发展,还催生了超导量子干涉仪等精密测量工具。德沃雷后来建立的耶鲁研究团队成为超导量子研究的摇篮,马蒂尼斯则在谷歌实现了量子霸权演示。这个奖项肯定了三位科学家多方面的开创性贡献。
正如德沃雷所言,在过去二十年里,量子信息处理领域取得惊人进展。我们有理由相信,这个伟大的量子时代正在到来。让我们向这些开拓者致敬!
AI原生产品日报频道: 前沿科技
游乐网为非赢利性网站,所展示的游戏/软件/文章内容均来自于互联网或第三方用户上传分享,版权归原作者所有,本站不承担相应法律责任。如您发现有涉嫌抄袭侵权的内容,请联系youleyoucom@outlook.com。
同类文章
vivo X300 Ultra 手机维修备件价格公布:屏幕优惠价 1320 元,主板 3300 元起
vivo X300 Ultra维修价格出炉:看懂这份“后期养护”清单 vivo X300 Ultra昨天正式开卖,作为一款搭载了第五代骁龙8至尊版和蔡司大师镜头群的旗舰,6999元起的售价彰显了它的定位。新机到手,除了性能与影像,它的“后期养护”成本也成了不少用户关心的重点。这不,官方维修备件价格已
玄派玄机 16 2026 笔记本电脑上架:AMD 锐龙 AI Max+ 395,128GB + 2TB
玄派玄机 16 2026 笔记本电脑上架:AMD 锐龙 AI Max+ 395,128GB + 2TB 来了,一款瞄准专业创作和重度计算场景的移动工作站新鲜出炉。4月6日消息,玄派旗下的Metaphyuni系列新品——玄机16 2026笔记本电脑已经正式上架。其核心配置相当惹眼,直接搭载了AMD顶级
内存疯涨三星赚翻了!Q1利润暴涨600%以上 还得继续涨
存储芯片价格持续上涨,行业格局迎来深刻调整 近期存储芯片市场的普遍涨价,给众多下游电子厂商带来了显著的成本压力。与此同时,智能手机、个人电脑等终端产品全年出货量面临下滑,已成为业界共识。然而,市场格局往往是动态平衡的,对于三星电子这样的半导体巨头而言,当前的市场环境可谓机遇难得——公司第一季度盈利表
Meta 为雷朋 Display 智能眼镜推出第二个重大更新:新增营养追踪、聊天消息摘要、屏幕录制功能...
Meta 为雷朋智能眼镜推出第二代重要升级:新增营养追踪、消息摘要与高清屏幕录制功能 Meta 近日向旗下与雷朋联名研发的智能眼镜——Ray-Ban Meta 正式推送了第二次重大软件更新。此次升级并非无关痛痒的小修小补,而是新增了多项实用功能,例如基于AI视觉的实时营养分析、WhatsApp聊天智
OPPO A6k 手机上市:天玑 6300 + LCD 直屏 + 7000mAh 电池,定价 1999 元起
OPPO A6k手机重磅发布:天玑6300处理器、高清LCD直屏、7000mAh超大电池,售价仅1999元起 OPPO旗下广受欢迎的A系列再添实力新机。近日,备受期待的OPPO A6k正式上市发售。这款新品搭载了备受好评的天玑6300八核处理器,并配备了一块容量高达7000mAh的耐用长寿电池,成为
- 日榜
- 周榜
- 月榜
1
2
3
4
5
6
7
8
9
10
相关攻略
2015-03-10 11:25
2015-03-10 11:05
2021-08-04 13:30
2015-03-10 11:22
2015-03-10 12:39
2022-05-16 18:57
2025-05-23 13:43
2025-05-23 14:01
热门教程
- 游戏攻略
- 安卓教程
- 苹果教程
- 电脑教程

